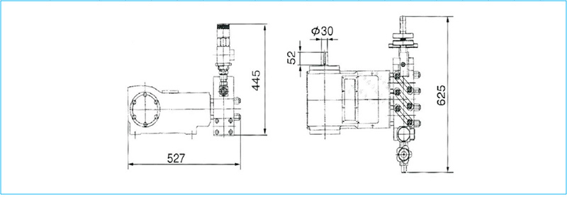
- 产品概述
- 技术参数
- 产品参数
3QP0(3DP35)型适用于高压清洗泵、高压往复泵、高压试压泵、海水淡化泵、光伏容积泵、锅炉给水泵、船用高压清洗泵、高压水泵、二氧化碳泵、氨基甲酸铵泵、液氨泵等用泵。
组装型式:有卧式、立式、固定式、移动式。
传动型式:有电动机、柴油机、齿轮箱、皮带轮、电磁调速、变频调速。
表中技术参数作为选型参考,每个品种的泵都装有安 全调压阀,泵的压力可任意调节。
你选型时表中流量不合适,可用电磁调速,变频调速,变换柱塞直径来调节流量,满足选型需要。
泵体材料有合金钢、马氏体、奥氏体不锈钢、316、316L双相钢。

| 泵推力:650kg | 泵行程35mm | 泵重量:120kg | |||||||||||
| 3QP0(3DP35)型三柱塞往复泵性能参数表 | |||||||||||||
| 柱塞直径mm | 42 | 41 | 38 | 35 | 32 | 29 | 25 | 22 | 20 | 18 | 16 | 14 | |
| 工作压力Mpa | 2 | 4 | 6 | 8 | 10 | 12 | 16 | 20 | 25 | 30 | 40 | 50 | |
| 泵转速min | 流量L/min M³/h 功率KW | ||||||||||||
| 90 | L/min | 13 | 12 | 11 | 10 | 8 | 6 | 4.6 | 3.5 | 2.9 | 2.4 | 2 | 1.4 |
| M³/h | 0.78 | 0.75 | 0.64 | 0.54 | 0.45 | 0.37 | 0.27 | 0.21 | 0.17 | 0.14 | 0.12 | 0.08 | |
| Kw | 0.75 | 1 | 1.5 | 1.6 | 1.6 | 1.44 | 1.47 | 1.4 | 1.45 | 1.44 | 1.6 | 1.4 | |
| 110 | L/min | 16 | 15 | 13 | 11 | 9 | 7.6 | 5.6 | 4.3 | 3.6 | 2.9 | 2.5 | 1.8 |
| M³/h | 0.96 | 0.91 | 0.78 | 0.66 | 0.55 | 0.45 | 0.34 | 0.26 | 0.21 | 0.17 | 0.15 | 0.1 | |
| Kw | 1 | 1.2 | 1.56 | 1.76 | 1.8 | 1.8 | 1.79 | 1.72 | 1.8 | 1.74 | 2.2 | 1.7 | |
| 130 | L/min | 19 | 18 | 15 | 13 | 11 | 9 | 6.6 | 5 | 4.3 | 3.4 | 2.9 | 2 |
| M³/h | 1.13 | 1.1 | 0.93 | 0.79 | 0.66 | 0.54 | 0.4 | 0.31 | 0.25 | 0.2 | 0.17 | 0.12 | |
| Kw | 1 | 1.5 | 1.8 | 2 | 2 | 2 | 2.2 | 2.2 | 2.2 | 2.2 | 2.32 | 2 | |
| 150 | L/min | 22 | 20 | 18 | 15 | 13 | 10 | 8 | 6 | 5 | 4 | 3 | 2 |
| M³/h | 1.3 | 1.2 | 1.1 | 0.89 | 0.78 | 0.6 | 0.48 | 0.36 | 0.3 | 0.24 | 0.18 | 0.12 | |
| Kw | 0.75 | 1.5 | 2.2 | 2.2 | 2.2 | 2.2 | 2.2 | 2.2 | 2.2 | 2.2 | 2.2 | 2.2 | |
| 200 | L/min | 29 | 28 | 24 | 20 | 17 | 14 | 10 | 8 | 6 | 5 | 4 | 3 |
| M³/h | 1.7 | 1.68 | 1.44 | 1.2 | 1.02 | 0.84 | 0.6 | 0.48 | 0.36 | 0.3 | 0.24 | 0.18 | |
| Kw | 1.2 | 2.2 | 3 | 3 | 3 | 3 | 3 | 3 | 3 | 3 | 3 | 3 | |
| 280 | L/min | 40 | 38 | 33 | 28 | 23 | 19 | 14 | 11 | 9 | 7 | 6 | 4 |
| M³/h | 2.4 | 2.26 | 1.98 | 1.68 | 1.38 | 1.14 | 0.84 | 0.66 | 0.54 | 0.42 | 0.36 | 0.24 | |
| Kw | 2.2 | 3 | 4 | 4 | 4 | 4 | 4 | 4 | 4 | 4 | 4 | 4 | |
| 330 | L/min | 48 | 46 | 39 | 33 | 28 | 23 | 17 | 13 | 11 | 9 | 7 | 5 |
| M³/h | 2.87 | 2.75 | 2.34 | 1.98 | 1.68 | 1.38 | 1.02 | 0.78 | 0.66 | 0.54 | 0.42 | 0.3 | |
| Kw | 2 | 4 | 5 | 5 | 5.5 | 5.5 | 5.5 | 5 | 5.5 | 5 | 5.5 | 5 | |
| 400 | L/min | 58 | 55 | 47 | 40 | 34 | 28 | 20 | 16 | 13 | 10 | 8 | 6 |
| M³/h | 3.47 | 3.29 | 2.81 | 2.39 | 2.03 | 1.68 | 1.2 | 0.96 | 0.78 | 0.6 | 0.48 | 0.36 | |
| Kw | 2 | 4 | 5.5 | 6 | 7 | 7 | 6 | 6 | 6 | 6 | 6 | 6 | |
| 450 | L/min | 65 | 62 | 53 | 45 | 38 | 31 | 23 | 18 | 15 | 12 | 9 | 7 |
| M³/h | 3.89 | 3.71 | 3.17 | 2.69 | 2.27 | 1.86 | 1.38 | 1.08 | 0.9 | 0.72 | 0.54 | 0.42 | |
| Kw | 3 | 5 | 6 | 7 | 7.5 | 7 | 7 | 7 | 7.5 | 7 | 7 | 7 | |
-------------------------------------
-------------------------------------
-------------------------------------
-------------------------------------
-------------------------------------
-------------------------------------
------------------------------------- |
--------------------------------------
--------------------------------------
--------------------------------------
--------------------------------------
--------------------------------------
--------------------------------------
-------------------------------------- |







|